
Modelo | MH-VSM | MH-VSM2600 |
Ancho máximo de chapa | <2600 mm | <1300 mm |
Espesor de chapa | 1-4 mm | 1-4 mm |
Velocidad | 30-100m/min | 30-100m/min |
Clasificación de chapas | 3 contenedores | 2 contenedores |
Tamaño de la máquina | 8000*2100*3900mm | 6500*2100*3900mm |
SHANDONG MINGHUNG WOOD MACHINERY CO.,LTD
SITIO WEB: www.plywoodmachineline.com
CORREO ELECTRÓNICO: minghungmachinery@gmail.com
WHATSAPP: +8618769900191
+8615589105786
Catálogo
Capítulo 1、Estructura mecánica...............................................................1-4
Capitulo 2、Cabina y pantalla.............................................................................5-16
Capítulo 3、Preparación de la instalación .................................................................17-22
Capítulo 4 、Prueba de funcionamiento de la máquina .......................................................................23-31
Capítulo 5、Problemas comunes y soluciones..................................................32-36
Capítulo 6、Mantenimiento de máquina...............................................................37-40
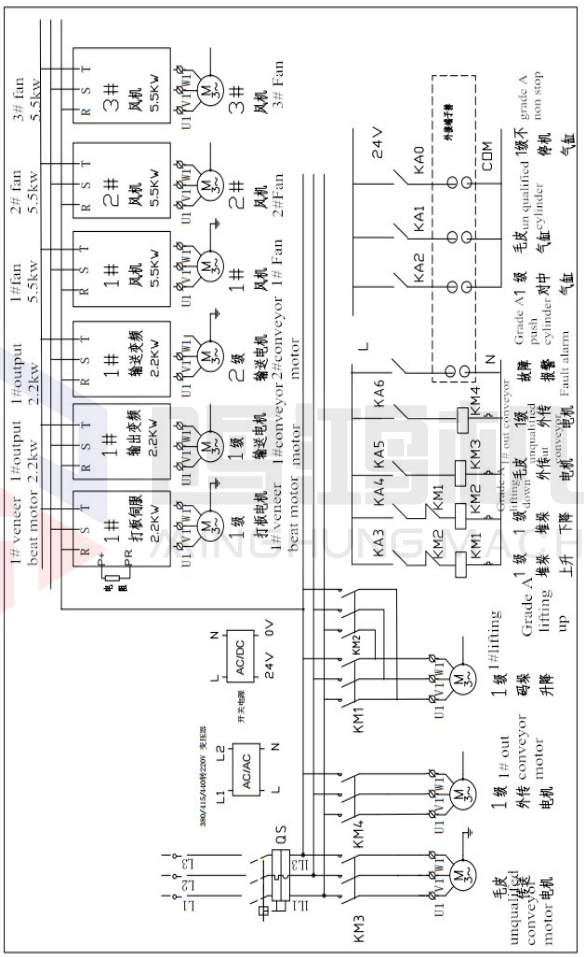
Capítulo 7、Diagrama de circuito.........................................................................41
Capítulo 1、Estructura mecánica





1 dispositivo de clasificación de chapas transportador 2-1# 3- transportador 2# Cilindro de 4 empujes
5-Cuento de levantamiento 6- Transportador de salida 7 -Estación hidráulica 8-Transportador de chapa no calificado

9- 1# Motor de golpe de chapa 10- 1# Dispositivo de golpe de chapa 11- 1# Ventilador/Motor12- 2# Ventilador/Motor
13-2#Dispositivo de batido de chapa 14- 2#Motor de batido de chapa A- sensor de batido de chapa

transportador 3-2# 15-Vía aérea B-Sensor de llegada de chapa C-Sensor de límite superior

Sensor de límite C-Up Sensores de clasificación de chapa D Sensor de límite inferior electrónico
Sensor transportador F-Out Sensor de límite de salida G


Capitulo 2、Cabina y pantalla






1-Potencia de conmutación 2-Interruptor principal 3-Transformador aislado 4-Interruptor de aire 5-Contactor 6-Terminal 7-PLC
8-Relé 9-Inversor de ventilador 10-Inversor de transportador 11-Servocontrolador 12-Junta de cables del motor


1 | Anchura de detección | Ancho de chapa actual del detector | 9 | Interruptor Manual | Ir a la página de operación manual |
2 | Juego de ancho de chapa | El ancho de la chapa se apilará | 10 | Configuración de valor | Ir a la página de configuración de valores |
3 | Defecto de chapa permitido | Área defectuosa/área de chapa de pieza entera | 11 | Velocidad | 1# velocidad del transportador desde detector |
4 | Cilindro clasificador Arriba | Tiempo de cierre del cilindro de clasificación después de que se caiga una chapa no calificada | 12 | Detección de defecto de carilla | La chapa actual detecta tasa de detector |
5 | Cilindro de clasificación hacia abajo | Clasificación del tiempo de apertura del cilindro | 13 | Cantidad de apilador de chapa | Todas las chapas apiladas Cantidad |
6 | Modo de trabajo | Visualización del modo de trabajo | 14 | Pila de chapa actual | Cant. del apilador de chapas actual |
7 | Restablecimiento de fallas | Resuelve el problema, la máquina vuelve a la normalidad. | 15 | Cantidad de alarma | Conjunto de cantidad máxima de apiladores |
8 | Sensores de clasificación | Ir a la página de sensores de clasificación
|
|
|
|








|
1 | Cilindro clasificador Arriba | Tiempo de cierre del cilindro de clasificación después de que se caiga una chapa no calificada | 8 | Margen de ancho de chapa de grado A | La tasa de rango de ancho que el Grado A |
2 | Cilindro de clasificación hacia abajo | Clasificación del tiempo de apertura del cilindro | 9 | Cantidad de chapa de grado A por empuje | Cantidad de cilindro de empuje de una acción |
3 | Margen de ancho máximo | Máximo margen de ancho de chapa calificada | 10 | Retardo de empuje de grado A | Tiempo de apertura del cilindro de empuje después de que se caiga la chapa |
4 | Margen de ancho mini | Máximo margen de ancho de chapa calificada | 11 | empujar mantener | Tiempo de mantenimiento del cilindro de empuje |
5 | Juego de ancho de chapa | El ancho de la chapa se apilará | 12 | Potencia del ventilador Ajustar | Ir a la página de energía del ventilador |
6 | Defecto de chapa permitido | Área defectuosa/área de chapa de pieza entera | 13 | Detección de revisión de ancho | Ir a la página de revisión de ancho |
7 | Defecto de carilla de grado A permitir | Área defectuosa de la carilla Grad A Permitido | 14 | Parámetros de fábrica | Parámetros antes de la salida de la máquina |



Sensores de clasificación Abrir/cerrar
①
falla de los sensores de clasificación: Cambie el uso de los sensores de clasificación de 'ON' a 'NO', no influirá en el trabajo de la máquina.después de cambiar a nuevos sensores. Cambiar 'NO' a 'ON'









②Cambio grande en el ancho de la chapa: por ejemplo, de 1300 mm cambia a 970 mm, o de 2600 cambia a 2000 mm, cierra el uso de sensores 1#, 2#, 13#, 14#.






área de operación







Capítulo 3, Preparación de la instalación



Montaje de la máquina
1. Para facilitar la transferencia, la máquina se divide en 6 partes









2.Pasos de montaje



3Conecte la mesa elevadora y la estación hidráulica

4Coloque el transportador de salida en la posición correcta



Después de conectar el cable del motor, abra la pantalla, vaya a la página de operación manual, haga clic en el área de operación manual, verifique que el motor funcione en la dirección correcta, si es incorrecto, cambie los 2 cables.





2.Ingrese el ancho de la chapa derecha en la pantalla
Tenga en cuenta: el 'conjunto de ancho de chapa' debe ser el mismo que el de la máquina peladora de chapa



3. Detectar revisión de ancho

①
Obtenga una chapa y recuerde su ancho B=? ②Colóquelo en el transportador antes de los sensores
③abrir el botón de emergencia, la chapa pasa por los sensores ④Haga clic en 'Detectar revisión de ancho'







O




4. Sensor de pulsación de chapa (interruptor de proximidad)
①Ajuste la distancia del sensor de pulsación de chapa y el dispositivo de pulsación de chapa, 0,5 cm, ¡la luz del sensor brilla!
②El espaciador aislante del sensor solo toca la caja de rodamientos





5. Ajuste el rango efectivo del Sensor de llegada de la chapa
① Coloque una chapa a 5-6 cm del sensor anterior, verifique si la luz es brillante o no. 
② Si la luz del sensor no es brillante, ajuste el rango de alcance del sensor de la siguiente manera.














6. Ajuste del sensor de llegada de la chapa
① Encienda, coloque una chapa en la parte delantera del transportador 1#, verifique la diferencia de tiempo entre el paso de la chapa por la vía de aire y el empuje de la tira de golpe de chapa. si no ingresa por completo pero empuja hacia afuera, ajuste 'Pila de grado A retrasada'















7.Ajuste la potencia del ventilador
①La potencia del ventilador debe ajustarse según el espesor de la chapa y la humedad.
②Si la chapa no se puede absorber en la vía aérea, aumente la potencia del ventilador

③Si la chapa se detiene hacia adelante, reduzca la potencia del ventilador


















Capítulo 5, Problemas comunes y soluciones
Problema 1: falla de la mesa elevadora
①Encender o cortar ② Comprobar sensores
③ línea gastada Rotura de unión de 4 hilos
Problema 2: falla del transportador
①Encender o cortar ②Rotura de unión de alambre
③Inversor: número significa normal 4Código de desorden significa problema
Problema 3: falla del ventilador
①Encender o cortar ② Comprobar el estado del motor

③Inversor: número significa normal 4Código de desorden significa problema
Problema 4: falla del cilindro de clasificación
①El modo de trabajo es 'Chapa no calificada' ②Junta de tubería de aire
③Presión de la tubería de aire 15:00-17:00 4Válvula solenoide


Problema 5: parada automática de la máquina
① Encender o cortar ② Inversor: número o código de malla

③ ¿Comprobar los sensores de límite superior C y los sensores de límite inferior E que brillan al mismo tiempo?









1. Verifique que todos los tornillos estén apretados. La nueva máquina necesita verificar todos los tornillos 3 ~ 5 días
3-5 días

2. Cadena, el engranaje debe lubricarse 2 o 3 veces por turno
2-3 veces /shift3.mantenga el ventilador limpio.
4. Verifique todos los sensores regularmente
5. Verifique todas las condiciones de la correa y las condiciones de trabajo
6. Verifique el indicador de aceite de la estación hidráulica regularmente
7. Los cojinetes y las piezas deslizantes deben lubricarse con regularidad.
①Dispositivo de golpe de chapa lubricado 2 veces al día ② Separador de agua y aceite
③ Barras deslizantes 2-3 veces por turno ④El cojinete debe lubricarse a tiempo


